Aço especial. Acabamento zincado. Para anéis internos. O espaçamento dos furos para os anéis não tensionados, normalmente é entre 80 e 140 mm. Pontas para reposição no alicate ref. 8005 J. Fornecimento unitário.

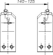
- Largura da abertura: 140 - 125 mm: combinação de Pontas ref. E - 8005 1 J e ref. E - 8005 2 J,

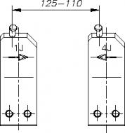
- Largura da abertura: 125 - 110 mm: combinação de Pontas ref. E - 8005 1 J e ref. E - 8005 4 J,

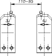
- Largura da abertura: 110 - 95 mm: combinação de Pontas ref. E - 8005 3 J e ref. E - 8005 4 J,

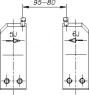
- Largura da abertura: 95 - 80 mm: combinação de Pontas ref. E - 8005 5 J e ref. E - 8005 6 J.

 

Dicas de segurança:

• Respeite as normas profissionais de segurança e o uso dos EPIs.

• Sempre utilize a ponta curva 30º intercambiável correspondente ao alicate, para obter o desempenho desejado.

• Não exponha a ponta curva 30º intercambiável ao calor excessivo, para não comprometer as características do produto.

• Não golpeie a ponta curva 30º intercambiável.

• Não altere a forma original da ponta curva 30º intercambiável.

• Não exponha / armazene a ponta curva 30º intercambiável em ambientes ácidos, úmidos ou salinos.

• Após o uso limpe visando prolongar a vida útil e garantir o bom funcionamento da ponta curva 30º intercambiável.

 

Adicionar a impressão
adicionar ao painel de comparação
Você pode escolher até 4 produtos para comparação
escolhidos 0/4
Comparar Produtos